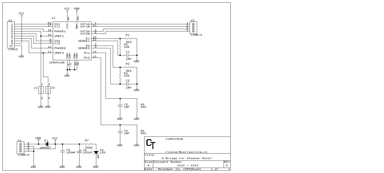
Ronaldo's H Bridge Project Page


ct.jpg


hbridge_2.jpg

2-hbridge.jpg

4-hbridge.jpg

hbridge.jpg