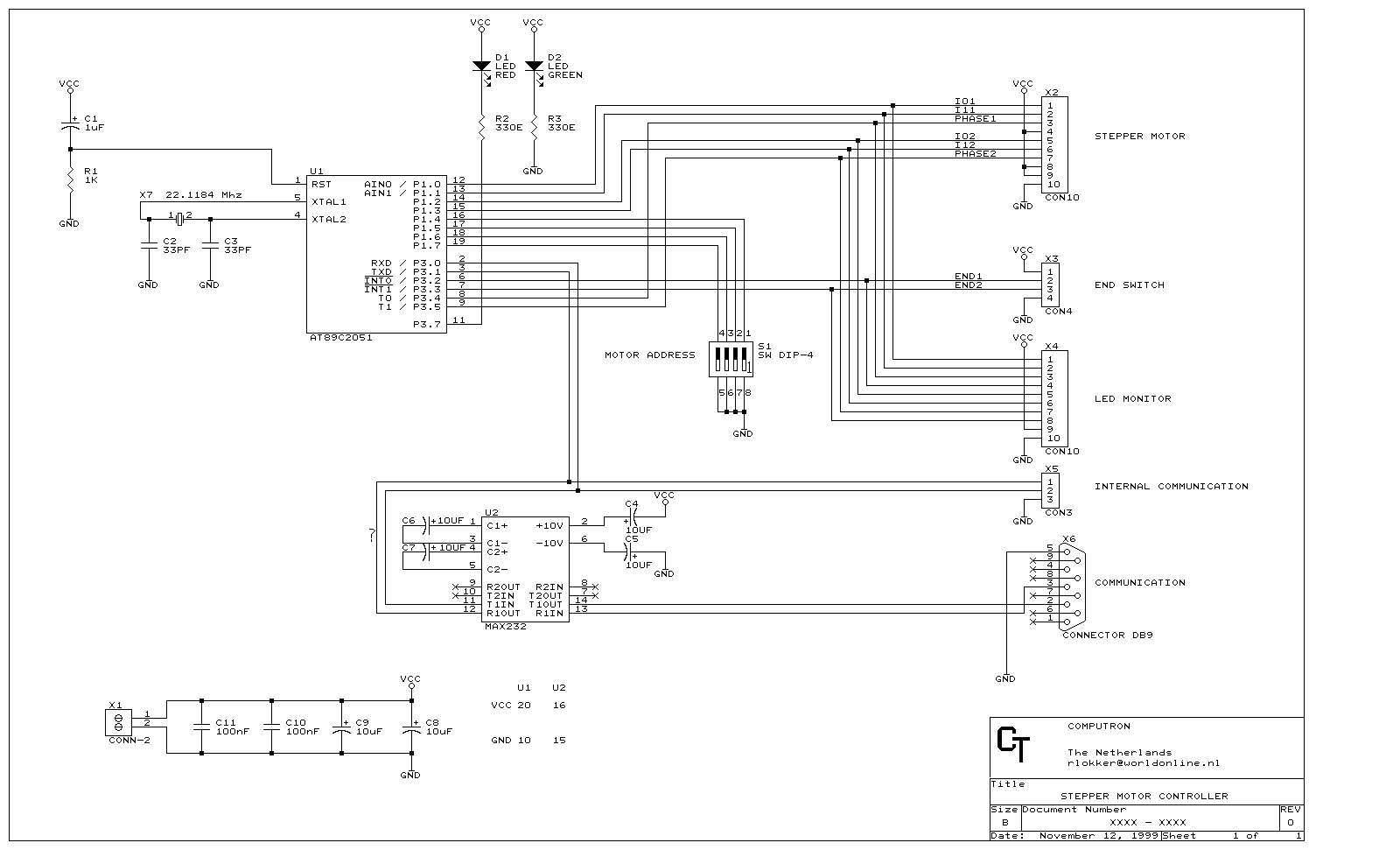
Ronaldo's stepper motor controler Project Page


ct.jpg


stapcon.jpg

stapboard.jpg

4-stapcon.jpg

stepcon.jpg